石家庄j9.com真空泵科技有限公司
联系人 :屈经理
手 机 :15710325899
电 话 :0311-80770277
邮 箱 :sjzxingyao@163.com
网 址 :www.xyzkbkj.com
地 址 :河北省石家庄市裕华区建设南路269号
总结最完整的11种真空泵应用(二)
总结最完整的11种真空泵应用(二)真空泵厂家
旋片真空泵

旋片真空泵是油封式机械真空泵。
旋片真空泵可以去除密封容器中的干燥气体。如果安装了气镇装置,它也可以除去一定量的可冷凝气体。但是,它不适用于抽出含氧量过高,对金属有腐蚀性,抽油的化学反应和粉尘的气体。有两种类型的单级旋转叶片真空泵和两级真空泵。
1结构说明
旋片真空泵是一种容积泵。它通过旋转叶片在泵腔中的连续运行来吸入和压缩气体,最后通过排气口将其排出。泵主要由定子,转子,旋转叶片等组成。转子偏心加载到定子腔中。转子插槽中有两个转子叶片,并且转子弹簧位于两个转子叶片之间。定子上的进气口和排气口被转子和转子分成两部分。
当转子在定子腔中旋转时,转子叶片的端部在弹簧张力和自身离心力的共同作用下抵靠泵腔的内壁滑动,从而周期性地扩大入口侧的内部容积和吸入气体,逐渐减小排气口的体积,压缩已吸入的气体,然后将其从排气口排出,以达到抽气的目的。
2适用范围
特征:
真空泵的吸入口配有金属网粗滤器。它可以防止固体异物被吸入泵腔。该油分离器配备有具有高效油气分离效果的排气过渡装置。当泵停止运转时,内置在吸入口中的吸入阀将泵与泵系统隔离,并防止油回流到泵系统中。泵被空气冷却。 XD旋片真空泵所有泵均由直联电机通过弹性联轴器驱动。
适用范围:
真空泵适用于抽真空封闭系统。如真空包装,真空成型,真空抽吸。
入口压力范围:100Pa—100000 Pa。超出此范围,真空泵的排气口将产生油雾。 XD型旋片真空泵的工作环境温度和吸入气体温度应在5℃?40℃之间。
真空泵不能去除水或其他液体。请勿去除易爆,易燃,高氧含量的腐蚀性气体。
通常提供的电动机不是防爆的。如果需要防爆或其他特殊要求,则电动机必须符合相关标准。
3申请
它的工作压力范围是101325-1.33×10-2(Pa),属于低真空泵。它可以单独使用,也可以用作其他高真空或超高真空泵的前级泵。它已广泛用于冶金,机械,军工,电子,化工,轻工,石油和医药的生产和科研部门。旋片真空泵是抽出气体的基本设备之一。它可以单独使用,也可以与增压泵,扩散泵,分子泵等超高压泵连接使用。
旋片式真空泵是用于在特定的密闭容器中抽取气体的基本设备,因此容器可以获得一定的真空度。由于现代科学技术的高度发展,旋片式真空泵的应用已在所有科学领域和各种企业中应用,用于冶金,化工,轻工,石油,医疗,制药,印染,电气,真空,半导体,食品,原子能,纺织等科研机构,大专院校,工矿企业进行科研生产和教学。并广泛用于榨油机。
由于旋片式真空泵是由黑色金属制成的,而且更精确,因此整个泵的工作是相关的。因此,旋片式真空泵不适用于去除富氧,有毒,易爆和腐蚀性的黑色金属。化学作用于真空油的气体,不能用作压缩机和输送泵。如果有带有气镇装置的泵,则可以除去一定量的可冷凝气体。
4使用
启动前先检查水冷泵的冷却水是否连通,当环境温度缩短时,可用手移动动皮带轮,使泵腔内部的油排入油箱。然后按动电机按钮送电,注意电源方向是否接反,泵旋转方向是否正确。
检查真空泵油量是否在油标线附近;相连被抽系统阀门时不要开得太快,防止大量喷油;运转中注意有无不正常的噪声和冲击声,注意泵的油温升高,有停泵一定要从泵入口放大气(一般购买的机组都有自动放阀);断电后再断水。
5性能特点
旋片真空泵是由旋片分开的泵腔工作室体积变化以实现抽气的真空泵,当采用工作液来进行润滑并填充泵腔死缝,分开排气阀和大气时,即为通常所称的迅达真空泵的旋片真空泵,在性能上有如下特点:
体积小,重量轻,噪音低;
设有气镇阀,可抽除少量水蒸气;
极限真空度高;
内装强制进油,润滑充分,性能可靠;
配备自动防返油双重保险装置;
保持进气压强为1.33×10Pa时仍可连续运转;
不漏油,不喷油,不污染工作环境,排气装置有专配油雾收集器;
可以配备小口径转换接头和国际标准的KF接口。
6使用特点
抽气速率:4?100L / S(升/秒)
极限压强:≤6* 10-2Pa(帕)
极限真空:≤1.3Pa(帕)
气体类型:常温无其它混合物的清洁干燥空气,不许有含其他粉尘和水分的空气。
工作要求:进口压强在大于6500Pa时连续工作时间,不得超过3分钟以免喷油引起泵损。
工作要求:进口压强在小于1330pa的条件下,允许长时期连续工作。
环境温度:真空泵一般在不低于5℃的室温及不超过90%的相对温度的环境内部使用。
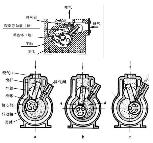
滑阀式真空泵

1结构特点
滑阀真空泵是工业领域中常用的油封真空泵。与其他油封真空泵不同,它的最大特点是它使用滑阀转子在泵中进行机械运动并改变腔体的体积,从而获得特定的泵浦母体。因此,滑阀真空泵也是容积泵。像其他油封真空泵一样,它也可以提取普通气体或包含少量可冷凝气体。真空在不同领域的应用也被广泛使用。
像普通的旋片式真空泵一样,滑阀真空泵也分为单级和双级。当然,根据其结构特征,有两种不同的结构形式:垂直和水平。单级滑阀真空泵的极限真空值一般可以抽至0.4 ^ -1.3Pa,双级滑阀真空泵的极限压力通常可以抽至6 X 10-2-10-' Pa范围。在实际工业应用中,单级滑阀真空泵通常用于超过150L / S的一般抽速的过程。
由于其结构特点,该泵具有在各种领域(如真空熔炼,真空干燥,真空镀膜,真空浸渍)在高压下长期运行,抽吸条件差,使用寿命长等优点。其他真空操作领域)已被广泛使用。由于滑阀泵经久耐用且可靠,并且可以在恶劣的抽气环境中工作,因此可以单独使用,也可以将其用作其他真空泵的前级泵。
滑阀泵具有单级H和两级2H型号:滑阀真空泵适用于泵送空气和其他常规气体。使用气镇时,它们还可以在手掌上泵入少量可凝性气体(例如水蒸气)。 )。
当泵送氧气含量过高,爆炸性,对黑色金属具有腐蚀性并与真空油发生化学反应的气体时,应添加一个装置。这种类型的泵可以单独使用,也可以用作高真空泵(例如扩散泵,机油增压泵和罗茨泵)的后备泵。与旋片式真空泵相比,H型滑阀泵更耐用,使用寿命更长。该泵广泛用于真空镀膜,真空热处理,真空烧结,分子蒸馏和航空模拟测试。
2个特点
1)配重的优化设计,振动小,噪音低。
2)轴承密封腔是单独供油的,并与泵腔分开,防止杂质进入轴承并过早损坏密封。
3)根据用户要求,可以安装辅助油箱以冷却真空油并分离杂质。
4)除老式的H-150外,电机均位于泵上方,结构紧凑,占地面积小
3参数

4应用范围
广泛用于航空航天,航空,原子,石油,化工,制药,电气,陶瓷,冶炼,新材料,真空热处理,真空镀膜等行业。滑阀真空装置具有显着的节能效果,在高真空范围内具有高真空度和高抽气量。它可广泛用于电力工业中变压器,电线,电缆和电容器的真空浸渍和真空干燥过程。
真空镀膜,真空冶炼,真空热处理,真空滤油,冷冻干燥;航空模拟测试的理想真空设备。如果泵送的气体中含有少量水蒸气或少量粉尘,则应安装过滤装置。
5个申请要点
尽管滑阀泵是旧式泵,但与旋片泵相比,它具有突出的优点,例如,允许的工作压力(104Pa)高,抽气量大,在恶劣环境下连续运行以及耐用性。真空冶炼,真空干燥,真空浸渍,真空蒸馏等行业得到广泛应用。随着真空应用范围的不断扩大,在真空干燥,真空浸渍,真空脱水,真空冶炼等行业中,通过滑阀泵将气体去除。水蒸气很多。
如果无法及时消除真空泵,则会污染真空泵油,并降低真空泵的性能。尽管在泵上安装了气镇阀,但是已经认识到,降低了泵的极限真空,并且通过气镇去除了可冷凝的气体。气镇方法不理想。通常,可以尝试以下方法:
aSpool阀泵与冷凝器一起使用。目前,大多数国内厂商都采用这种方案。原理是冷凝器串联在泵和泵送的容器之间,真空处理设备中的大量水蒸气被冷凝器捕获到水中,从而减少了进入真空泵和泵的水蒸气量。降低泵油污染程度。如果适当调节冷凝器的出口阀的流量,并充分发挥气镇阀在真空泵上的作用,则可以获得更好的泵送效果。
b将滑阀泵换成热泵。根据水的物理特性和相图原理,可将滑阀真空泵改为热泵。这样。可以在较高的泵腔温度条件下泵送大量可冷凝水蒸气。工作原理如下:使用一套自动温度调节控制器,通过自动控制泵的冷却水流量来控制泵腔温度。在泵送过程中,始终将泵室的温度控制在高于水的饱和蒸汽压的温度,以便可以平稳地排出泵送气体中的大量蒸汽。
为了避免由于泵腔中的高温而导致泵油变稀,真空度可能降低以及运行部件可能因泵的长期运行而卡住的现象。或N-68)和高温轴承。增加运行部件等的间隙
罗茨真空泵

1结构形式
1.泵的整体结构
罗茨真空泵的泵体布置决定了泵的整体结构。目前,国内外罗茨真空泵大致分为三种:
垂直结构的进,排气口水平设置,管道的安装和连接相对方便。但是,该泵的重心较高,并且在高速下稳定性较差,因此该类型主要用于小型泵。
卧式泵的进口在顶部,排气在底部。有时,为了便于真空系统管道的安装和连接,可以从水平方向连接排气口,即,进气方向和排气方向彼此垂直。此时,排气口可以从左右两个方向打开。除了一端连接到排气管外,另一端被阻塞或连接到旁通阀。该泵的重心低,在高速下具有良好的稳定性。通常,大中型泵都采用这种结构。
泵的两个转子轴垂直于水平面安装。结构装配间隙易于控制,转子装配方便,泵占地面积小。然而,泵的重心较高,齿轮难以组装和拆卸,并且润滑机构相对复杂。仅在外国产品中发现。
2.泵送方式
罗茨真空泵的两个转子通过一对高精度齿轮相对同步。驱动轴通过联轴器连接到电机。驱动器结构布置主要有两种类型:
一种是电动机和齿轮如图所示位于转子的同一侧。从动转子由电动机末端的齿轮直接驱动。这样,驱动转子轴的扭转变形很小,并且两个转子之间的间隙不会由于驱动轴的大扭转变形而改变,因此转子之间的间隙是连续的。过程是均匀的。
这种传输方法的最大缺点是:驱动轴上有三个轴承,增加了泵的加工和组装难度,齿轮的拆卸和调节不方便; b。整体结构不均匀,泵的重心偏向电机和齿轮箱一侧。
另一个是电动机和传动齿轮安装在转子的两侧。这种形式使泵的整体结构均匀,但是驱动轴的扭转变形很大。为了确保在运行过程中转子的间隙均匀,轴应具有足够的刚度,并且轴与转子之间的连接必须拧紧(目前存在将转子和轴焊接或铸造的结构)成一个身体)。这种结构非常易于拆卸,因此被广泛使用。
3个特点
快速启动,低功耗,低运行保护成本,高抽速和高效率,对抽运气体中包含的大量水蒸气和灰尘不敏感,并且在100至1 Pa的压力范围内具有大抽速,快速消除气体的突然释放。
该压力刻度正好在油封式机械真空泵和分散泵之间。因此,它通常串联在分散泵和油封机械真空泵之间,以提高压力刻度两端的吸力。这时也称为机械增压泵。
更大的压力范围内更高的抽速;
转子具有良好的几何对称性,因此振动小且运行颠簸。转子之间以及转子与壳体之间不存在需要平滑的间隙,摩擦损耗小,可以大大降低驱动力,从而可以实现更高的转速。
泵腔不需要用油密封和光滑,这可以提高油蒸气对真空系统的净化效果;
泵腔中没有收缩,排气阀也没有。结构简单紧凑,对泵送气体中的灰尘和水蒸气不敏感;
收缩对比度低,给抽氢带来不良后果;
4应用范围
罗茨真空泵已经在石油,化工,塑料,农药,涡轮转子动平衡,航空航天模拟等设备中进行了长期测试,因此在中国应得到广泛推广和应用。
同时,罗茨真空泵广泛用于食品和制药行业的冶炼,脱气,真空冶金轧制以及真空蒸馏,真空浓缩和真空干燥。 真空泵配件用于真空泵噪音管理,真空泵消声器。
转子的外表面是相对复杂的弯曲圆柱表面,难以比较和加工。 近年来,罗茨泵在国内外迅速发展。 它已广泛用于冶炼,石油化工,电气和电子行业。
上一条: 总结最完整的11种真空泵应用(三)
下一条: 总结最完整的11种真空泵应用(一)

